Ingeniería 27 (1): 113-131, ISSN: 2215-2652; 2017. San José, Costa Rica

Controlled Islanding with Special Consideration of Parallel Power System Restoration Constraints

Islas Controladas con Consideración Especial a las Restricciones de
Restauración en Paralelo de los Sistemas de Potencia

Pablo Fernández Porras, Jairo Quirós Tortós
Electric Power & Energy Research Laboratory
School of Electrical Engineering, University of Costa Rica, San Jose, Costa Rica
jpablofp20@gmail.com, jquiros@eie.ucr.ac.cr

Recibido: 2 de julio 2016 Aceptado: 8 de agosto 2016

_____________________________________________________________________

Abstract

Intentional Controlled Islanding (ICI) can prevent blackouts by splitting the system into islands following a severe disturbance. Post-islanding events, however, might lead to instabilities that can result into blackouts within one or more islands. Although it is critical to ensure that the islands can be restored in the case of local blackouts, this has not been addressed in the literature. To fill this gap, this paper proposes an ICI method that considers not only the typical ICI constraints, but also Parallel Power System Restoration (PPSR) constraints. The traditional islanding problem for minimal power-flow disruption ensuring the typical generator coherency constraint is extended to include at least one blackstart unit within each island and to exclude various branches from possible solutions. To understand the extent to which each island can be restored, the method quantifies the active and reactive power generation available within each island to determine the maximum load that can be picked up. By applying the proposed ICI method, the restoration process can be facilitated and speeded up. Simulation studies on two IEEE test systems are used to demonstrate the effectiveness of the method in determining an islanding solution that considers PPSR constraints with different network topologies and sizes.

Keywords:

Graph theory, intentional controlled islanding, parallel power system restoration, spectral clustering

Resumen

Las islas controladas intencionales (ICI, siglas en inglés) pueden evitar apagones de gran extensión mediante la división del sistema eléctrico en islas después de una perturbación severa. No obstante, eventos posteriores a la creación de estas islas podrían conducir a inestabilidades que pueden resultar en apagones dentro de una o más islas. Por lo tanto, garantizar que estas se puedan restaurar en el caso de apagones locales es fundamental, sin embargo, esto no se ha abordado en la literatura. Para llenar este vacío, este artículo propone un método de ICI que considera junto a sus restricciones típicas, la restauración en paralelo del sistema de potencia (PPSR, siglas en inglés). Se considera la mínima interrupción del flujo de potencia garantizando la coherencia de generadores, pero se amplía para incluir al menos una unidad de arranque autógeno dentro de cada isla y para excluir distintas líneas de las posibles soluciones. El método cuantifica la generación de energía activa y reactiva disponible dentro de cada isla para determinar la máxima demanda que puede ser incrementada. Utilizando el método propuesto, el proceso de restauración puede facilitarse y acelerarse. Para demostrar la eficacia del método propuesto en la determinación de una solución de islas considerando PPSR, fueron realizadas simulaciones en dos sistemas de la IEEE con diferentes topologías y tamaños.

Palabras clave:

Teoría de grafos, islas controladas intencionales, restauración en paralelo del sistema de potencia, agrupamiento espectral.

1. IntroducTION

Intentional Controlled Islanding (ICI) is an effective, corrective control strategy for mitigating cascading outages leading to blackouts. This adaptive control action splits the bulk power system into electrically isolated islands following a severe contingency, but before the system becomes uncontrollable (1–7). Implementing an ICI scheme increases the probability to avoid large area blackouts; however, post-islanding events might lead to instabilities that are likely to result into blackouts within one or more islands (8–10).

In order to accelerate the restoration process of the affected islands, Parallel Power System Restoration (PPSR) can be adopted (8–10). PPSR restores each island independently and reconnects the islands once they are stable enough. To ensure the successful parallel restoration of the affected islands, nonetheless, it is important that they are adequately designed (considering a set of critical constrains). Satisfying a minimum set of critical constraints provides sufficient support to system operators during the restoration process. Therefore, it is crucial to ensure these minimum PPSR constraints when defining an islanding solution. This, however, has not been addressed in the existing literature that designs islanding solutions.

The existing ICI methods provide an islanding solution that defines the set of transmission lines to be disconnected across the power system to mitigate cascading outages. These solutions are usually obtained considering two different objective functions: a) minimal power imbalance (2,3), b) minimal power-flow disruption (5,7). When determining the corresponding solution, these approaches adopt only the generator coherency constraint (2,3,7). However, recurrent disturbances within the created islands, human errors, insufficient stability margins within islands due to the new topology, mal-operation of protection devices which are designed to operate under different network topology, and other instability issues, might destabilize the created islands, and thus, local blackouts can affect one or more of the created islands. Therefore, the interest on planning the restoration process during the controlled separation has recently increased (11). The main reason behind this philosophy is that the restoration process can be facilitated and speeded up, when critical PPSR constraints are included in the islanding problem (11).

This paper proposes a ICI method that considers PPSR constraints. A Constrained Spectral Clustering (CSC) algorithm (12) is adopted to compute an islanding solution for minimal power-flow disruption, considering the constraint of generator coherency (ICI constraint). Crucially, it ensures the availability of at least one blackstart (BS) unit within each island (PPSR constraint), considers the availability of synchro-check relays in all the tie-lines (PPSR constraint) and excludes transformers and unavailable lines from solutions (PPSR constraints). The method converts the islanding problem considering PPSR constraints into a constrained graph-cut problem. Therefore, a spectral graph theory approach can be used. This approach allows a quick identification of an islanding solution. To manage the aforementioned constraints, the method manipulates the subspace solution, also known as the subspace trick (13), and modifies the weights of the edges in the graph (12). The proposed method uses a robust spectral clustering algorithm, making it less sensitive to outliers. To finally determine the maximum load that can be picked up during PPSR within each island, the available active and reactive power generation limits (PPSR constraint) are then computed.

The paper is organized as follows. Section 2 presents the graph theory fundamentals and introduces the new approach given to the islanding problem. The proposed method to determine the islanding solution including PPSR constraints is introduced in Section 3. Section 4 demonstrates the performance of the method using the New England 39- and IEEE 118-bus test systems. Section 5 concludes the paper.

2. Intentional Controlled Islanding and Parallel Power System Restoration

This section presents the graph theory fundamentals and introduces the islanding problem when PPSR constraints are considered. Additionally, a brief description of the spectral clustering algorithm is presented.

2.1. Graph Theory Fundamentals

A power system with nb buses, ng generators and nbs BS units can be modeled using an undirected and simple graph G = (V,E,u,w) with weights on the nodes and edges. In G, the elements vi ϵ V,i=1,2…,nb, and eij ϵ E V × V, i,j=1,2…,nb, denote the set of nodes and edges, respectively. The sets V and E model the buses and branches in the system, respectively. A subset VG V, of size ng, is introduced to model the generators directly connected in the network. A subset B VG, of size nbs, is defined to represent only those generators that are BS units. Two weight factors associated with each node are contained in ψ=[ρ,σ]. The set ρ with elements ρi [1], i=1,2,…nb, contains the maximum active power mismatch at buses. The set σ with elements σi [2], i=1,2,…nb, form the set of reactive power mismatch at buses. In [1] and [2] [2], , , PL,i, and QL,i represent the maximum active and reactive power generated and consumed at bus i, respectively. The sets ρ and σ represent a type of weight given to each node in the graph G. The elements wijϵ w,i,j=1,2,...,nb, represent the weight factor associated with each edge eij ϵ E. The weighted adjacency matrix W is created by computing the average power flow [3] between nodes i and j, where, Pij and Pji are the active power-flow from bus i to bus j and from bus j to bus i, respectively.

[1]

[2]

[3]

2.1.1. Cutset, cut and weight of the nodes in an island

In graph theory, a cutset, denoted as Es, partitions the graph G into r disjoint subgraphs. The set Es represents the set of edges that needs to be removed to separate the graph G. For simplicity, the bisection case is initially used to split G into two disjoint subgraphs G1 and G2, such that V1V2=V and V1V2=. Given the graph G, the cut, mathematically formulated as shown in [4], is represented as the sum of the weights of the edges contained in the cutset (12). The graph-cut problem is then defined as finding the cutset that bisects the graph with minimum cut (12) i.e. min{cut(V1,V2)}.

[4]

In the islanding problem, the set of edges contained in Es represent the set of transmission lines in the actual power system that should be disconnected to create electrical islands after the disturbance. Recursive bisection should be used when more than two islands are required.

Graph theory can also be used to compute the weights of the nodes in each subgraph Gk ,k=1,2. The weight of the nodes in Gk of a given type is the total weight of the nodes included within Gk of that type. This is mathematically formulated as shown in [5], where ul represents the set of weights of type l included within Gk. For example, l can represent the elements contain in type ρ within Gk. By using [5], it is possible to know the active and reactive power mismatches within each island.

[5]

2.2. Intentional Controlled Islanding and Parallel Power System Restoration

Islanding methods are used to mitigate different extreme events presented in power systems, such as unstable oscillations, voltage collapse, cascading trips, etc. The islanding problem is mathematically defined as a constrained combinatorial optimization problem. Therefore, solving this problem in real-time (quickly enough to enable effective islanding within a limited timeframe) is difficult because of the combinatorial explosion of the solution space in large-scale power systems. Although several constraints for ICI were previously mentioned, several ICI methods only consider the minimal power imbalance, or equivalently the minimal power-flow disruption, while satisfying the constraint of generator coherency (2,3,7). Extra control action will be required post-splitting actions. Nevertheless, the stability of the islands can be achieved by applying adaptive load shedding schemes and generation curtailment (2,3,7).

Minimal power imbalance and minimal power-flow disruption, defined according to [6] and [7] respectively, can both be used as objective functions to determine an islanding solution (1). In [6] and [7], [ VG1 ,VG2] represent the groups of coherent generators. The use of minimal power imbalance as the objective function creates islands with good load-generation balance (2,3). This property of the objective function minimizes the amount of load that must be shed following system splitting. Nevertheless, solving the islanding problem for minimal power imbalance is an NP-hard problem and has been shown to be a special case of the 0-1 knapsack problem (14), i.e. there is no known algorithm that can efficiently solve problems of this type within polynomial time. On the other hand, the use of minimal power-flow disruption as the objective function creates islands with the minimum change from the pre-disturbance power-flow pattern. This characteristic also improves the transient stability of the islands, and reduces the possibility of overloading the transmission lines within the islands (7).

[6]

[7]

As noticed in [6] and [7], identifying stable islands with minimal power imbalance, or minimal power-flow disruption, while ensuring the constraints of generator coherency have been the main objectives in the past (2,3,7). However, methods to split power systems considering PPSR constraints are still an unexplored field and a practical engineering challenge (11).

PPSR must be carried out when the stability margins of the created islands could not be maintained, i.e. when local blackouts affect the created islands post-islanding actions. To support system operators on successfully restoring the islands in blackout, various PPSR constraints should be included in the islanding problem (8,11,15). Satisfying a minimum set of critical constraints provides sufficient support to system operators during the restoration process. Therefore, it is crucial to ensure these minimum PPSR constraints when defining an islanding solution. For an efficient PPSR, the following constraints are required to be considered when determining an islanding solution while planning the restoration process.

• Blackstart availability and capability: Refers to the availability of BS units within each island [8]. Each island must contain at least a unit capable of providing cranking power to Non-Blackstart (NBS) units.

v B such that vi VG1 vj VG2 i≠j [8]

• Ability to meet active and reactive power load with the active and reactive power generation: Each island must be independent and able to maintain the frequencies and bus voltages within acceptable limits. To cope with this constraint, the active and reactive power mismatches within each island after the islands are created are computed using [9].

[9]

This post-splitting calculation uses the maximum limits of generation, and it allows defining the amount of load that can be picked up within each island to maintain frequencies and voltages within limits.

• Ability to maintain a suitable voltage profile, to pick up loads, to underexcite generations units, to change taps and to operate synchronous condensers: This constraint refers to the ability to control the bus voltages. For this purpose, it is assumed in this work that elements such as tap changers and synchronous condensers can be controlled. This problem is mainly associated to the actual restoration process of each island, and as such it is out of the scope of this paper.

• The monitoring of each island by the system control center to ensure correct operation: The ability to monitor islands can be ensured by using conventional measurements and considering information obtained from real-time monitors. Guarantying this constraint is also out of the scope of this work.

• Ensuring that all tie-lines are capable of swinging generation and measuring synchronization with adjacent subsystems: Synchro-check relays in the tie-lines must be ensured. These devices are essential during the synchronization of the created islands, i.e., when reconnecting the islands.

2.3. Spectral Clustering Algorithm

A spectral clustering algorithm is used in this paper to solve the graph-cut problem. The unnormalized Laplacian matrix, denoted as L, is defined for a graph G as shown in [10] (12).

[10]

In [10], di represents the degree of the vertex vi. The degree of a vertex viV is equal to the total weight of the edges connected to that node [11]. Using the degree of the nodes, the degree matrix, denoted as D, can then be built. The matrix D is defined as the matrix with the degrees di in the main diagonal.

[11]

When L is determined, the unnormalized spectral clustering can then be applied. The unnormalized spectral clustering, for the bisection case, is summarized as follows (12):

1. Compute the unnormalized Laplacian matrix [10].

2. Compute the first two eigenvectors ϑ1 and ϑ2 , associated with the two smallest eigenvalues, of the Eigen problem Lϑ=λϑ.

3. Let TRnb x 2 be the matrix containing the vectors ϑ1 and ϑ2 as columns.

4. For i=1,...,nb, let ti∈ R2 be the vector corresponding to the i-th row of T.

5. Cluster the nodes (ti ) i=1,…,nb R2 into C1 and C2 using the k-means algorithm (16).

When computing the steps mentioned above, two disjoint sets C1 and C2 are determined. However, the solution for bisecting the graph using unnormalized spectral clustering often consists of simply separating one node from the rest of the graph (12,16,17). This solution is not feasible for islanding. In addition, the usage of the k-means algorithm might affect the quality of the islanding solution (16). This is mainly because this algorithm is very sensitive to outliers (12,16). Thus, a robust clustering algorithm should be used.

3. Intentional Controlled Islanding Method Planning the Restoration Process

This section presents the considered islanding problem with PPSR constraints. It also introduces the proposed method and explains with more detail the considered constraints.

3.1. Considered Islanding Problem with PPSR Constraints

The islanding problem solved in this paper minimizes the power exchanged between islands. Adopting the minimal power-flow disruption objective function has the advantages that power system oscillations within the newly created islands are reduced and the possibility to overload the connected branches in the created islands is minimized. Additionally, finding an islanding solution for the minimal power-flow disruption ensures the stability of the newly created islands. An island with a negative stability margin and good load-generation balance (a possible minimal power imbalance solution) will collapse (1,18). However, an island with a positive stability margin (a feature of minimal power-flow disruption solutions) and a poor load-generation balance can be stabilized by shedding load (1,18).

As previously stated, the islanding solution to be determined must consider the constraint of generator coherency (dynamic constraint) and must include at least one BS unit within each island. This islanding solution also excludes various branches from the cutset Es Unavailable lines, lines without synchro-check relays and transformers are constrained to be excluded from the islanding solution. Therefore, the islanding problem to be solved in this paper is mathematically formulated as follows.

[12]

In [12], B1 VG1 and B2 VG2 represent the coherent groups of generators including at least one BS unit within each island. The branches to be excluded from the cutset Es are included in the set EC.

Figure 1. Flowchart of the proposed method for the bisection case

3.2. Solving the Considered Islanding Problem with PPSR Constraints

Fig. 1 shows the flowchart of the proposed method for the bisection case. The direct application of spectral clustering without any constraint might produce the creation of isolated load nodes (12) or even the creation of large island but without maintaining the coherency of generators and without at least one BS unit within each island. This solution, however, is unacceptable for an islanding solution considering PPSR constraints. Therefore, to solve the islanding problem while considering PPSR constraints, this subsection presents the analysis to implement a constrained spectral clustering algorithm.

CSC is an efficient method for solving clustering problems with pair-wise constraints (12,13). Thus, it is advantageous to use such technique to solve the islanding problem formulated in [12]. To cope with the considered constraints, the CSC algorithm employed in this paper uses the subspace trick (13) and modifies the similarity matrix (12). By including the considered constraints in the form of pair-wise constraints, the splitting problem is converted into a constrained graph-cut problem. This also converts the unsupervised clustering method into a semi-supervised clustering method.

The key advantage of spectral clustering algorithms is that they approximate the solution within polynomial time (12,16). Thus, the islanding problem can be solved in real-time, i.e., quick enough to enable effective islanding within a limited timeframe. The spectral clustering algorithms adopts the robust k-medoids (16) to cluster the nodes in the solution subspace. This, in turn, makes the algorithm more robust to outliers (12,16), thus improving the quality of an islanding solution.

As noticed in Fig. 1 the main input to the algorithm is the graph G=(V,E,u,w) with the power flow solution. The method then considers the coherent groups of generators. Here, coherency is defined as the oscillatory behavior of machines after large disturbances in multi-machine power systems (18,19). To create stable islands, the generators within any created island must be approximately synchronous. PMUs can be used to determine generator coherency. This paper considers that Synchronized Measurement Technology accompanied by telecommunication infrastructure is available to identify the coherent groups of generators and the machines belonging to each group using approaches such as (20,21). This information is used as an input variable to the islanding method.

The information of the coherent groups of generator is introduced in the form of pair-wise constraints by modifying the solution subspace using a projection matrix (the subspace approach) (13). While a must-link constraint is used to group the generators, including at least one BS unit, that must be included in the same island, a cannot-link constraint is considered when machines should be in different islands (17).These pair-wise constraints are important to consider the constraint of generator coherency, i.e., the transient stability of the islands is taken into account by separating groups of generators that are not coherent. In addition, the projection matrix is used to guarantee that each island contains at least one BS unit. As previously mentioned, this constraint is essential to ensure that in case of local blackouts after the controlled separation, the affected islands can be quickly restored.

Without loss of generality, it can be assumed that the first ng1 nodes belong to the cluster C1 and the next ng2 nodes belong to the cluster C2. The projection matrix P can then be defined as follows (13):

[13]

where I is the identity matrix, 1 is the all-ones column vector and 0 is the zero matrix or zero column vector.

In this way, the solution subspace is projected from an nb -dimension space to a (nbng+2) dimension space, where (ng=ng1+ng2). All nodes of the same cluster in the nb -dimension space are represented by one equivalent node in the (nbng+2) dimension space to satisfy the pair-wise constraints (13).

As noticed in Fig. 1 the proposed method then constrains unavailable lines, transformers and lines without synchro-check relays to be excluded from the islanding solution. Unavailable lines, i.e., lines which might have lost the communication channels or might not be available to be disconnected during emergencies, might cause the power system in emergency to stay connected, even when the islanding actions are required. The disconnection of transformers causes damages on the transformer windings and future mal-operation. In addition, aging affects are caused when transformers are suddenly disconnected. Lines without synchro-check relays must be excluded because the tie-lines must be monitored during the re-synchronization of the created islands. Other lines, based on the criteria of system operators, can also be excluded from the islanding solution. In order to constrain these branches to be excluded from an islanding solution, the weight factor wij w associated with these edges eijEC is changed to the maximum edge weight of the graph [14]. Changing these weight factors ensures that the cutset excludes these edges.

If eij EC,set w’ij=w’ji= max(W) [14]

Once the adjacency matrix is modified, the new unnormalized Laplacian matrix L’ of the graph is computed as shown in [15].

[15]

The proposed method, which now uses k-medoids to cluster the nodes, the finds an islanding solution for the problem formulated in [12] by following the steps below. These steps can also be followed in the flowchart shown in Fig. 1. When requiring more than two islands, recursive bisection should be applied.

1. Build the graph G of all nodes with the edge weights defined as shown in [3].

2. Construct the projection matrix P [13] based on the generator grouping results.

3. Considering the constraint [14], change the weight factors associate with the edges eij EC.

4. Compute the unnormalized Laplacian Matrix L [15].

5. Compute the first two eigenvectors ϑ1 and ϑ2 of the generalized Eigen problem PT LPϑ=λPT Pϑ.

6. Let TRnb x 2 be the matrix containing the vectors Pϑ1 and Pϑ2 as columns.

7. For i=1,...,nb, let ti R2 be the vector corresponding to the i-th row of T.

8. Cluster the nodes ( ti ) i=1,…,nb R2 into clusters V1, V2 using the k-medoids algorithm (16).

9. Select V1 or V2 as the node set of a new graph and return to 1), and repeat the procedure until achieving r subgraphs i.e. apply recursive bisection.

Using the proposed method can be determined an islanding solution for minimal power-flow disruption while considering the coherency of generators, availability of BS units, and availability of branches is identified, i.e. a solution of the optimization problem [12] can be found. When the islands are defined, and considering the case that one of these islands might be affected by a local blackout, the power mismatches [9] are computed to indicate the amount of load that can be picked up during the restoration of the affected island. To determine the active and reactive power mismatches, the node weights of type ρ and σ within each island should be computed using [5].

4. Simulation Results

This section presents the simulation results. To demonstrate the effectiveness of the proposed method, the New England 39- and IEEE 118-bus test systems are used. For simulation purposes, this paper simulates the test systems using MATLAB 7.10 (R2010a) and MatPower (22). Simulations are performed on an Intel® Core™ 2 Duo CPU E7500 @ 2.93 GHz, 4 GB of RAM.

4.1. Evaluating the quality of the proposed method

4.1.1. New England 39-bus test system

The New England 39-bus test system is initially used to demonstrate the method. The topology of this system is shown in Fig. 2. In this paper it is considered that G3, G4, and G8 are BS units. Following the flowchart shown in Fig. 1, the graph G is built first. The weight factors associated with the nodes and edges are computed by running a conventional power flow algorithm (runpf) using MatPower.

Assuming that two groups of coherent generators are created after a large disturbance, the proposed method is implemented. These two groups are considered to be {G1,G8,G9,G10} and {G2,G3,G4,G5,G6,G7}. As it can be noticed, B1={v37}VG1={v30,v37,v38,v39} and B2={v32,v33 }VG2={v31,v32,v33,v34,v35,v36} . Identified these groups, the projection matrix, P is built using [13]. Considering the availability of all the lines and that all the lines are equipped with synchro-check relays, the set EC is created using only by the edges representing the transformers. Then, by applying the steps previously explained, an islanding solution for the New England 39-bus test system split into two islands is found to be ES={e9,39,e3,4,e3,18,e17,27}. This islanding solution is shown in Fig. 3 (cutset1).

Figure 2. Single line diagram of the New England 39-bus test system

Table 1 presents the edges included in this cutset ES (islanding solution), the value of the cut [4] and the active and reactive power mismatches within each island [9]. As noticed in Table 1, the power mismatches within the created islands are larger than zero, i.e., the power generated is larger than the power consumed. Thus, operators can completely restore any of the created islands if a local blackout affects any of these.

To demonstrate the effectiveness of the method on introducing constraints to the tie-lines, it is assumed that the transmission line 9-39 is not equipped with synchro-check relays. Thus, the set EC includes now the transformers and the edge e9,39. Then using [14], the weight factor associated with these edges is changed. After this, the new islanding solution, which should exclude the edge e9,39, can be found. This new islanding solution is shown in Fig. 4 (cutset2). Table 1 also presents the results for this solution. The value of the cut [4], the active and reactive power mismatches and the cutset ES are shown as well in Table 1.

It must be noted that each island is now designed considering at least one BS unit; therefore, if a local blackout affects any of the created islands, system operators can completely restore the affected island. In addition, as the availability of the transmission lines is taken into account, efficient and secure controlled separation is guaranteed by the proposed method. Finally, as all the tie-lines are equipped with synchro-check relays, i.e. lines without synchro-check relays are excluded from the islanding solution, the boundary buses can be monitored during the resynchronization of the islands.

Figure 3. New England 39-bus test system split into two islands

Figure 4. New England 39-bustest system split into two islands while excluding line 9-39

Table 1 Results for the New England 39-bus test system split into two islands

Islanding Solution

cut(V1,V2 )

(MW)

Island number

(MW)

(MVAr)

cutset1

e3,4,e3,18,e9,39,e17,27

130.6120

1

911.90

759.20

2

200.87

660.70

cutset2

e3,4,e3,18,e8,9,e17,27

137.2827

1

905.40

825.80

2

207.37

594.10

4.1.2. IEEE 118-bus Test System

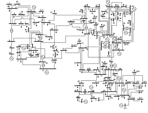
A large scale network, which is considered complex enough to demonstrate the difficulties that might arise in real case systems, is used in the second case. The topology of the IEEE 118-bus test system is shown in Fig. 5. Three BS units, located at buses 25, 69, and 89, are considered. The graph G is first constructed. In order to demonstrate the recursive bisection approach, it is assumed that the IEEE 118-bus test system must be split into three islands. Therefore, three groups of coherent generators are assumed G1={10,12,25,26,31}, G2={46,49,54,59,61,65,66,69} and G3={80,87,89,100,103,111}. As noticed, each group has at least one BS unit (in bold within each group).

Figure 5. Single line diagram of the IEEE 118-bus test system

Identified these groups, the projection matrix P is constructed using [13]. Initially, it is considered that all the transmission lines are equipped with synchro-check relays, i.e., the set EC only contains the edges representing the transformers. Then, by applying the steps shown in Section 3.2, the IEEE 118-bus test system is split into three islands as shown in Fig. 6 in dashed red line (cutset1 and cutset2). Table 2 presents these cutsets and the value of the cut [4] when implementing this islanding solution. The active and reactive power mismatches within each island are presented in Table 3. While the power cut between island 1 and island 2 is only 81 MW, it can be observed that this value is higher between island 2 and island 3. In total, however, the power cut was as low as 5% from the total power generation (4374.86 MW). It can also be observed that the power mismatches within the created islands are larger than zero. Thus, operators can completely restore any of the created islands if a local blackout affects any of these.

Figure 6. Islanding solution for the IEEE 118-bus test system split into three islands

Table 2. Value of the cut for the IEEE 118-bus test system split into three islands

Islanding Solution

(MW)

cutset1+cutset2

e15,33, e19,34, e30,38, e24,72, e24,70

80.81

e75,77, e76,118, e69,77, e68,81

147.7

cutset3+cutset4

e33,37, e19,34, e30,38, e23,24

89.9

e75,77, e75,118, e69,77, e68,81

180.8

It is now assumed that the transmission lines 15-33, 24-72 and 76-118 are not equipped with synchro-check relays. Therefore, the previously defined set EC (considering only the transformers) is extended to include these lines. By considering this new set EC, the new splitting strategy can be determined. This new islanding solution is shown in Fig. 7 in dotted green lines (cutset3 and cutset4). Table 2 also presents the cutset and the value of the cut [4]. Table 3 finally presents the active and reactive power mismatches for the created islands while considering the unavailability of the mentioned lines.

Table 3. Results within each island for the IEEE 118-bus test system split into three islands

Islanding Solution

Island
number

(MW)

(MVAr)

cutset1+cutset2

1

600.00

3026.00

2

972.00

3187.00

3

652.00

4126.00

cutset3+cutset4

1

590.00

2717.00

2

10.15.00

3511.00

3

619.00

4111.00

Figure 7. Islanding solution for the IEEE 118-bus test system split into three
islands while excluding some lines

4.2. Computational Efficiency

Besides the accuracy of the islanding solution, the computational efficiency is also a very important indicator when evaluating the performance of an islanding method. For a graph with nb nodes and nl edges, the entire search space of the controlled islanding problem is 2nl. The major computation task in spectral clustering algorithms is during the Eigen decomposition of L (16). So, the time complexity of the proposed method is just O (nb3 ). This can be further reduced to O (nb3⁄4 ) for a sparse matrix (5,16). Table 4 shows the computational time for each test system and also for each case simulated. As noticed, the proposed method is computationally efficient for calculating the splitting strategy for large-scale power systems.

Table 4. Computation time of the proposed method on different IEEE test systems

Test System

Case

Time (s)

New England 39-bus

cutset1

0.048914

cutset2

0.051614

IEEE 118-bus

cutset1+cutset2

0.132992

cutset3+cutset4

0.135752

5. Conclusions

An Intentional Controlled Islanding (ICI) method considering Parallel Power System Restoration (PPSR) constraints is proposed in this paper. The islanding solution determined by the proposed method minimizes the power-flow disruption between future islands while considering PPSR constraints. It is demonstrated that introducing PPSR constraints does not affect the efficiency of the islanding solution.

The proposed method plans the restoration process for the cases when local blackouts happen after the controlled separation. Since unexpected recurrent disturbances or instability issues might cause local blackouts in one or more of the created islands, the method was designed to provide the sufficient means to system operators to restore the affected islands. In addition, this method converts the islanding problem with PPSR constraints into a constrained graph-cut problem. This is done by representing the power system as a graph. The proposed method uses real-time information to obtain the coherent groups of generators. The constraint of generator coherency is satisfied by manipulating the subspace and including must-link and cannot-link constraints in the form of pair-wise constraints. The method is also constrained to include at least one blackstart unit within each island. This is done to allow system operators to quickly send cranking power, in case of local blackouts, to the non-blackstart units in the same island.

In addition, the method constrains unavailable lines, transformers and lines without synchro-check relays to be excluded from the islanding solution. Then, the proposed method uses a robust and constrained spectral clustering algorithm to determine the islanding solution. Since the proposed method plans the restoration process of the power system, PPSR can be carried out effectively and quickly. The method computes the active and reactive power mismatches within each created island to determine the maximum active and reactive power load that can be picked up during the restoration process.

6. References

1. Henner VE. A network separation scheme for emergency control. Int J Electr Power Energy Syst. 1980 Apr;2(2):109–14.

2. Sun K, Zheng DZ, Lu Q. Splitting strategies for islanding operation of large-scale power systems using OBDD-based methods. IEEE Trans Power Syst. 2003 May;18(2):912–23.

3. Sun K, Zheng DZ, Lu Q. A simulation study of OBDD-based proper splitting strategies for power systems under consideration of transient stability. IEEE Trans Power Syst. 2005 Feb;20(1):389–99.

4. Adibi MM, Kafka RJ, Maram S, Mili LM. On power system controlled separation. IEEE Trans Power Syst. 2006;21(4):1894–902.

5. Peiravi A, Ildarabadi R. Comparison of computational requirements for spectral and kernel k-means bisection of power system. Aust J Basic Appl Sci. 2009;3(3):2366–88.

6. Ding L, Gonzalez-Longatt FM, Wall P, Terzija V. Two-step spectral clustering controlled islanding algorithm. IEEE Trans Power Syst. 2013;28(1):75–84.

7. Quiros-Tortos J, Sánchez-García R, Brodzki J, Bialek J, Terzija V. Constrained Spectral Clustering Based Methodology for Intentional Controlled Islanding of Large-Scale Power Systems. IET Gener Transm Distrib. 2014;in press:1–12.

8. Adibi MM, Kafka RJ. Power System Restoration Issues. IEEE Comput Appl Power. 1991 Apr;4(2):19–24.

9. Lindenmeyer D, Dommel HW, Adibi MM. Power system restoration - a bibliographical survey. Int J Electr Power Energy Syst. 2001;23(3):219–27.

10. Liu Y, Fan R, Terzija V. Power system restoration: a literature review from 2006 to 2016. J Mod Power Syst Clean Energy. 2016 Jul;4(3):332–41.

11. Quirós-Tortós J, Terzija V. Controlled islanding strategy considering power system restoration constraints. In: IEEE PES General Meeting. San Diego; 2012. p. 1–8.

12. Von Luxburg U. A tutorial on spectral clustering. Stat Comput. 2007;17(4):395–416.

13. Bie T De, Suykens J, Moor DB. Learning from general label constraints. In: IAPR International Workshop on Statistical Pattern Recognition. Lisbon; 2004.

14. Zhao Q, Sun K, Zheng DZ, Ma J, Lu Q. A Study of System Splitting Strategies for Island Operation of Power System: A Two-Phase Method Based on OBDDs. IEEE Trans Power Syst. 2003 Nov;18(4):1556–65.

15. Adibi M, Clelland P, Fink L, Happ H, Kafka R, Raine J. Power System Restoration - A Task Force Report. IEEE Trans Power Syst. 1987 May;2(2):271–7.

16. Kaufman L, Rousseeuw PJ. Finding groups in data: an introduction to cluster analysis. Vol. 1. New York: Wiley; 1990.

17. Wang X, Davidson I. Flexible Constrained Spectral Clustering. ACM SIGKDD Int Conf Knowl Disc Data Min. 2010;563–72.

18. Yusof SB, Alden RTH, Rogers GJ. Slow coherency based network partitioning including load buses. IEEE Trans Power Syst. 1993 Aug;8(3):1375–82.

19. You H, Vittal V, Wang X. Slow Coherency-Based Islanding. IEEE Trans Power Syst. 2004 Feb;19(1):483–91.

20. Jonsson M, Begovic M, Daalder J. A new method suitable for real-time generator coherency determination. IEEE Trans Power Syst. 2004 Aug;19(3):1473–82.

21. Ariff M a. M, Pal BC. Coherency identification in interconnected power system — An independent component analysis approach. IEEE Trans Power Syst. 2013;28(2):1–1.

22. Zimmerman RD, Murillo-Sanchez CE, Thomas RJ. MATPOWER: Steady-State Operations, Planning, and Analysis Tools for Power Systems Research and Education. IEEE Trans Power Syst. 2011 Feb;26(1):12–9.

131